趣味のページ > オーディオシステム > SP-10MKU用ターンテーブル制御アンプ

金田式DCアンプシリーズ No.108
SP-10MKU用ターンテーブル制御アンプ

無線と実験,1989/2

 金田式DCプリ、メインアンプの音の素晴らしさを実感できたので、レコードプレイヤーもグレートアップをする決心をした。1990年頃は、テクニクスのダイレクトドライブのレコードプレイヤーSP-10MKU用モーターとターンテーブルを補修用パーツとして安価に手に入れられた。
 
 金田氏の記事はロングアーム用に設計されていたが、かなり大きくなることからオルトフォンRS212のアーム用にケースの寸法を変更した。「無線と実験」に載っているところから板厚25mmの樺桜の集成材を通販で購入した。本体の板厚は4枚重ねて100mm厚である。製作と加工は建具屋さんに依頼した。
 
 ベルトドライブとダイレクトドライブのレコードプレイヤーを比較すれば、ダイレクトドライブの方が回転速度の精度は良いと思われる。

 
SP-10MKU用ターンテーブル制御アンプ ブロックダイヤグラム
 

 
 
 
 位置検出部の構造
 

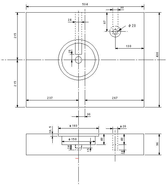
プレヤーボード寸法 アーム  オルトフォンRS−212
 
 電源はナショナルネオハイトップ単一20本を使い、±15Vを得ている。
 
 金田式DCアンプのスピーカーの制御力はすばらしい。床下には、防振対策としてH形の鉄骨を入れているがハウリングがひどく、最初ハウリングは床から伝わるものとして下図のような対処していた。別室にプレーヤーを置くとハウリングは止み、空気振動が主な原因と言うことが分かった。金田氏が指摘するように、スピーカーの制御力はすばらしく、強烈であり、ホーンスピーカーがますます強力な音を出すものと思っている。
 アームはオルトフォンRS212、カートリッジはDENON DL103である。ターンテーブルに豚皮のシートを敷いている。いろいろ試みたが、アルミ板を敷いたとき、フルアコースティックギターのスティール弦が響いた。いろいろ試してみたが、シートの材質により楽器の音が変わる。
 
支持方法  ハウリング防止策 
 
■アーム Ortofon RS212
 ダイナミックバランス型、針圧印加0〜4g、全長300mm、実効長228mm, 1967年発売
 

趣味のページ > オーディオシステム >SP-10MKU用ターンテーブル制御アンプ