■等分布荷重の場合の曲げモーメントの計算について
|
 |
●0<x<aの曲げモーメントの計算 等分布荷重の合力wxが、長さxのはりの中央に作用するとして計算

|
| ●a<x<Lの曲げモーメントの計算 等分布荷重の合力waが、長さaのはりの中央に作用するとして計算 |

|

|
●分布荷重の場合、積分により曲げモーメントを求める方法
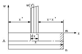
図のように、Aからx'離れた梁の微小部分dx'にw(x')の分布する荷重,荷重w(x')dx',はりのmn部分に作用する曲げモーメントMxは、荷重w(x')dx'のmn断面上の点に関するモーメントを求め、これを、0からxまで積分することによって求めることが出来る。
|

|


|

図 (4)の場合 A点に集中荷重2PとC点からBまで分布荷重が作用する L の長さの梁のとき
|
| 上記の計算においては、(4)以外は、分布荷重だけによる曲げモーメントの値で、集中荷重や支点の反力がある場合は上記の値に、この値を加える。 |
|
|