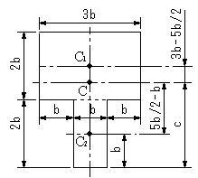
問題131

 図のT型の図心と断面二次モーメントを求める。
     
【解】