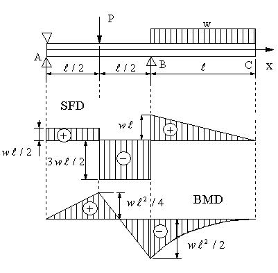
問題271
 図の梁の場合に、各支点の反力、せん断力、曲げモーメント、せん断力図、曲げモーメント図を求める。
P=wLとする。

【解】