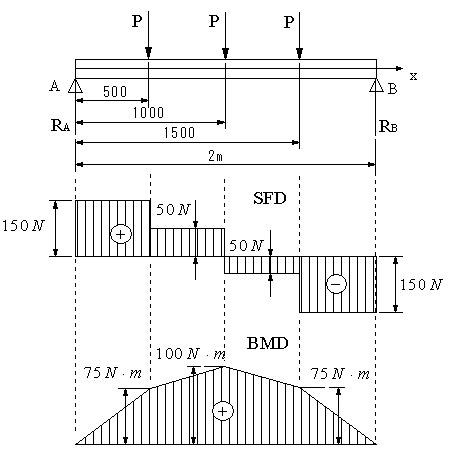
問題293
 図のような両端支持梁の場合に、せん断力、曲げモーメントとせん断力図、曲げモーメント図を求める。P=100N


【解】