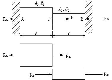
問題300
図のように、断面積A
1
,A
2
、弾性係数E
1
,E
2
の棒が剛体壁に固定されている。固定点A、Bに生ずる反力R
A
,R
B
を求める。
【解】