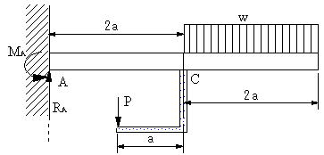
問題362
 図の不静定の片持ちばりの場合に、固定端の反力、反モーメント、B支点の反力を求める。

【解】
    


(a)
         
(b)