第4章  破壊(Fracture)

4.1 破壊とは
 
 破壊とは材料を2つ以上に分離し,負荷能力をゼロに減ずるような変形である。第1章で述べたように、着目する破壊領域のオーダーにより,種々のレベルで破壊を生ずる。破壊は原子レベルでは,格子間距離(10-8cm)のオーダの領域で起こり,微視的レベルでは結晶粒の大きさ(約10-3cm)のオーダーの領域で起こり,巨視的レベルでは,割れまたは切欠(10-1 cm) かそれ以上の大きさのオーダーで起こる。

 原子レベルでは,原子間結合が破壊面で破断され新しい面がつくられたとき破壊が起こる。破壊面に垂直に結合が切れる場合(図4.1),その過程をへき開型あるいは引張型といい,破壊面に平行に結合が切れるとき(図4.2)せん断型という。このレベルにおける破壊条件は単純で,第2章2.8で調べたように、局部応力が理論的結合強さσc = E/I0に達するか,あるいは理論的せん断強さτc=G/2πに達すると破壊が起こる。ここでE,Gはそれぞれ縦弾性係数,横弾性係数である。
 
       
 
  図4.1 へき開型あるいは引張型破壊       図4.2 せん断型破壊       
 
 原子間結合を破断するに必要な高い応力は,転位の集積や微視的き裂または巨視的き裂(割れ,切欠,き裂)の先端近傍の高応力集中域で生ずる。微視的または巨視的レベルの破壊は,材料中をき裂が通過することによって起こる。破壊の型はそれに対応するき裂の型によって決められる。破壊条件はこれらのレベルでは複雑になる。
 
 負荷応力σと割れ等の応力集中係数αの積が理論的結合応力σcに達したとき破壊が起こる。ほとんどの構造材料は完全弾性ではない。すなわち負荷応力が降伏応力より小さいときでさえ,破壊にさぎだって応力集中により局部的に塑性変形し、塑性ひずみが生ずる。破壊は局部塑性ひずみまたは塑性仕事が割れの先瑞である限界値に達したとき発生する。破壊力学の原理によって,巨視的破壊条件を,破壊強さ、割れの長さ,不安定破壊を引き起こすに必要な限界塑性仕(破壊靭性)によって決定することが可能である。これについては後に解説する。
 

 
 (a) へき開型あるいは引張型破壊
 

 
 (b) せん断型破壊
 

 
  (c) カップアンドコーン型破壊
図4.3巨視的、微視的レベルでの破壊の様相
 
4.2 延性破壊 (Ductile fracture)
 
(1) 一般的特徴
 
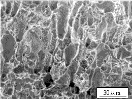
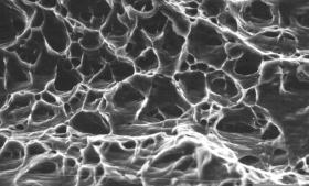
 破壊する前に大きい塑性変形を示す。室温の低炭素鋼,銅,アルミなどの面心立方構造の金属,これらの材料の引張試験で見られる破壊であり、き裂伝播速度は遅い。破断面はカップ・アンド・コーン型を示し,肉眼でみると,鈍い灰色をしている。電子顕微鏡写真は,繊維状に見え、繊維状破面とも言うが、更に拡大するとえくぼ状模様の集合体,ディンプル(dimple)を呈する。
   
 
 図4.4 延性破面、カップアンドコーン、SS400   図4.5 デインプル、SS400        
 ディンプルの生成は次のように説明されている。引張応力を受けたとき、介在物(弾性係数が大)と母材の弾性係数の大きさが異なることにより、変形が進むと境界が剥がれる。介在物の周りに空隙が生じ、これが拡大し、さらに、隣接する介在物から同様に生じた空孔と連結することによりき裂が生じ、この現象が繰り返されて最終破断に至る。従って、破面には空孔が連結した痕跡が残る。この中心には、破壊前に介在物が存在していたことになる。
 

 
 図4.6 ディンプルの生成モデル
 
 図4.6のき裂の成長は図4.3(c)のように、試験片の中央部近傍から荷重方向と垂直に始まり、き裂がある大きさに達するとせん断型に変化し、これがカップの縁に相当する破面を呈する。
 

デインプル、アルミ ディンプルの底に介在物と思われるものが観察された。
  
 図゙4.7は疲労破壊した破面であるが、両端の凹凸のある破面は、最後の1回の繰り返しで破断した延性破面である。平板の場合は、丸棒の場合のようなカップアンドコーン(図4.4)形状にならないが、疲労破面と比較すると色はグレーで暗く、凹凸が激しく、刃のようなせん断破面(シェアーリップ)が出現する。
 

図4.7 平板試験片の場合の延性破面
 
 垂直破断面には図4.6の機構によりディンプルが成長する。せん断破面には、せん断変形により引き伸ばされたディンプルが観察されることがある。


図4.8 カップアンドコーン破壊の断面 丸棒の場合
 

図4.9 引き伸ばされたディンプル