材料の強度と破壊トップページ>疲労変形に及ぼす温度の影響
疲労変形に及ぼす温度の影響
| AS材,60℃の場合のS−N曲線をFig.1に示す.室温の場合と比較するとかなり寿命は減少している.含有率の影響はほとんど認められない.60℃の場合,ごく僅かな数のSGFに,60℃,引張の場合に発生したクレイズと同形態のクレイズが発生する(Fig.2).クレイズの長さを引張の場合と比較すると小さい.発生箇所には60℃,引張の場合ほど長い空隙部は生じない.室温では観察されなかったPC材室温の場合と同様なSGFの剥離が負荷方向と平行,垂直,傾いたSGFに繰り返しとともに成長するのが観察されるが(Fig.2),剥離長さは非常に小さく,疲労き裂には成長しない.また,AS材の室温で見られたSGF端部近傍でのクレイズは発生しない.クレイズの発生は試験片両側の縁に沿う一定幅の狭い領域内に存在するSGFに観察され,低応力振幅ほど領域の幅は小さくなる.すべての応力振幅において,この領域には,負荷方向と垂直な線状の表面クレイズが生ずる.高応力振幅ほどこのクレイズの数は多い.SGFから成長する2次的な疲労き裂は破面には観察されなかった. |
![]() |
![]() |
| Fig.1 AS材の60℃の場合のS−N曲線 | Fig.2 SGFに発生したクレイズ,AS材,60℃,Wf=1% |
![]() |
![]() |
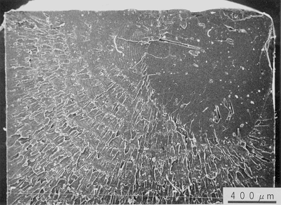
| Fig.3 AS材60℃の場合の疲労破面写真, Wf =0.01%,σa=15MPa |
Fig.4 破壊起点近傍の拡大写真 |
|
PC材の場合 |
|
PC材,室温,50℃,-76℃のS−N曲線をFig.5に示す.PC材室温のS−N曲線は,高応力振幅においてはせん断き裂支配型,低応力振幅においては,表面クレイズ支配型になる変形機構の相違から,逆S字形を示し,寿命の逆転現象が生ずるが,50℃のS−N曲線は,逆S字形にはならず,ほぼ一本の曲線となる.室温と比較すると大幅な疲労寿命低下を示している.なお,σa=30MPaにおいては,数回の繰り返しでネッキングが生じ大変形を示し,疲労試験は続行不可能であった. |
![]() |
![]() |
| Fig.5 PC材,50℃のSーN曲線 | Fig.6 負荷方向と垂直な表面クレイズ,PC材,50℃, σa =15MPa,Wf=0.1% |
![]() |
![]() |
| Fig.7 PC材の疲労破面,PC材,50℃, σa =25MPa,Wf=1% | Fig.8 PC材の疲労破面, 50℃,σa=10MPa,Wf=0.1% |
![]() |
![]() |
| Fig.9 PC材,-76℃の破面写真,σa=30MPa,Wf=0.1% | Fig.10 温度50℃の場合における破壊起点の模式図 |
| PC材,50℃においては,低応力振幅の場合,表面クレイズから疲労き裂が成長し最終破断に至る様相を示す.高応力振幅の場合は,表面クレイズの発生,クレイズ端からのせん断帯の発生,せん断帯のき裂化,モードT型き裂の成長となる疲労破壊過程をとる.-76℃の場合は,表面クレイズから疲労き裂が成長し最終破断に至る疲労破壊過程をとる.室温低応力振幅,その他の温度の場合はいずれも表面クレイズから疲労き裂が成長し最終破断に至る様相を示し,このことは,S−N曲線においても同一の曲線にのる傾向を示す要因になっている. |