材料の強度と破壊>関節軟骨の粘弾性特性計測装置の設計
関節軟骨の粘弾性特性計測装置の設計について
| はじめに | |||||||||||
| スポーツなどで関節軟骨を損傷した場合に,関節軟骨を移植することが考えられており,実用化のためには,移植後の関節軟骨の力学的特性を求め,評価する方法が必要とされている。 関節軟骨の力学的特性についての評価は、ある一定の大きさの圧縮荷重を一定時間負荷し、除荷後の回復変位の時間的変化の曲線から判断する場合が多い。関節軟骨は、粘弾性的性質を有することがわかっている。 |
|||||||||||
| 1. | 研究目的 | ||||||||||
| 軟骨が破損した場合に他の部位の軟骨を移植する実験が、うさぎの膝軟骨を用いて試みられている.これを、実用化するためには、移植後の軟骨の力学的性質が維持されることが必要である.軟骨は粘弾性的性質を有する. ここでは、移植のための基礎的な研究として、うさぎの軟骨を移植した試料を用いて実験を行い、移植後の軟骨の力学的性質の経時変化を明らかにする.この研究は、弘前大学医学部整形外科岡村良久教授,同じく同科、津田英一先生との共同研究です。 |
|||||||||||
![]() ![]() |
|||||||||||
|
|||||||||||
| 2. | 荷重負荷、変位測定装置の設計 | ||||||||||
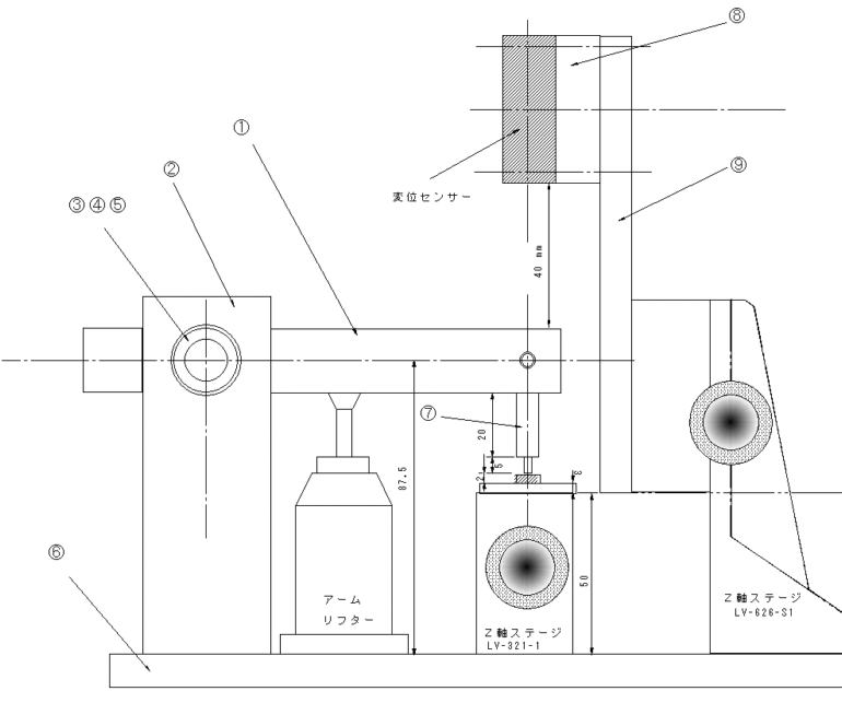
実験においては、負荷荷重100gを10分間負荷するが,軟骨との接触子は先端の直径2mmの球か円柱を用いる。この負荷による軟骨の最大変位はおよそ0.3mmである。変位の計測は軟骨の表面にレーザーをあて、非接触が理想的であるが、レーザー光線を測定物に垂直に当てる必要があり、接触子の中心部の変位測定は困難であるので、接触子の反対側を非接触で測定することとする。接触子の保持は、釣り合いをとるのが可能なアーム式(レコードプレーヤーのアームの原理)とする。このアーム上に100gに相当する負荷重りを置く。重りの除荷には、電磁石を用いる。また、接触子が常に軟骨に接するように1gの負荷を与える。また、レーザー変位計は初期位置(40mm)が決められているので、レーザーセンサー支持台と試料台は、高さの微調が可能なようにステージに取り付ける。図3に概念図を示す。この装置では、以下のような操作手順により,実験を行う。
|
|||||||||||
計測手順
|
|||||||||||
| 3. | 計測システム | ||||||||||
| センサーの精度は、3μmである。センサーから出力される信号は、4〜20mAの電流出力であるが、パネルメータを得て、比例する1〜5Vの電圧出力となり、12ビットAD変換器で、ノート型パソコンに取り込まれる。 |
|||||||||||
![]() |
|||||||||||
| 計測システム |
|||||||||||
| 4. | 装置のキャリブレーション | ||||||||||
| 製作された計測装置のキャリブレーションを行った。アームの感度は、接触子位置で0.1gであった。1μmの最小目盛りを有する変位キャリブレーション装置で変位0〜0.5
mmの範囲で指示誤差0.5%以内であった。また、実験時間は20分と仮定し、サンプリング周波数100ms(1秒間10回)で、データを収集してもパソコンのメモリの容量内に収まることを確認した。 |
|||||||||||
![]() |
|||||||||||
| 5. | AD変換ソフト | ||||||||||
市販のAD変換ボード(マイクロサイエンス社製,12ビット,4〜20mAの電流出力)付属のAD変換ソフトをVisual
Basicにて,リアルタイムで計測結果をグラフィックスで図示するようにカスタマイズした。
|
|||||||||||
![]() カスタマイズしたRingBuffAD変換モード画面 |
|||||||||||
![]() |
|||||||||||
![]() |
|||||||||||
| 設計した計測装置 レコードプレイヤーのアームを応用 |
|||||||||||
![]() 正常軟骨と移植軟骨の負荷・除荷曲線 負荷曲線はほぼ同様であるが,正常軟骨の除荷曲線は短時間で変位が0に達している。 |
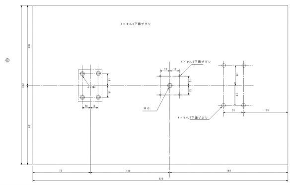
![]() 組み立て図 |
||||||||||||||||||||
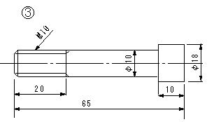
材料は硬質アルミを使用 |
||||||||||||||||||||
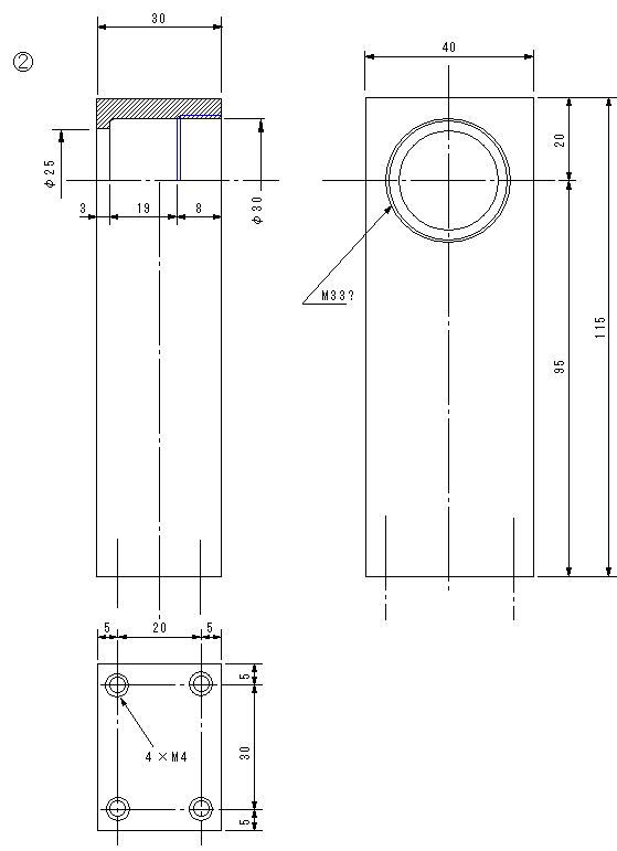
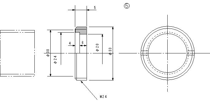
![]() 回転軸部詳細図面 |
||||||||||||||||||||
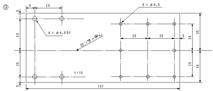
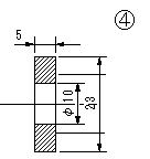
![]() センサー部詳細 |
||||||||||||||||||||
![]() |
||||||||||||||||||||
![]() |
||||||||||||||||||||
![]() |
||||||||||||||||||||
![]() |
||||||||||||||||||||
![]() |
||||||||||||||||||||
![]() ![]() |
||||||||||||||||||||
![]() |
材料の強度と破壊>関節軟骨の粘弾性特性計測装置の設計